首页
产品中心
电永磁吸盘
矩形永磁吸盘
圆形永磁吸盘
正弦吸盘
起重器
磁性过滤器
关于我们
新闻中心
联系我们
简体中文
English
RMR
首页
»
产品中心
»
圆形永磁吸盘
»
RMR
产品分类
电永磁吸盘
矩形永磁吸盘
圆形永磁吸盘
正弦吸盘
起重器
磁性过滤器
联系我们
姓名
手机
*
邮箱
通讯地址
*
留言内容
提交
*
验证码
loading
分享到:
RMR
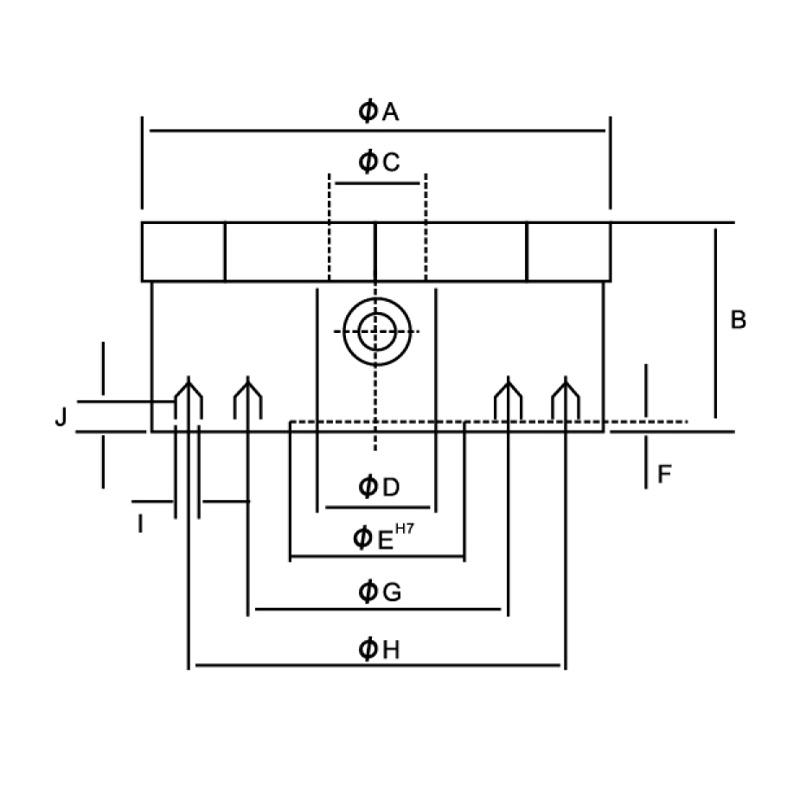
适用于小型立式平面磨床、外圆磨床、内圆磨床的磨削加工车床的切削加工。整体面板结构可保持磁盘高精度,高夹持力。
特别用于圆形薄零件和薄壁圆环的车模加工,表面的圆形刻线用于定位工件。如有需要,中心可以加工中心定位孔。
状态:
数量:
询价
加入询价篮
产品描述
常规吸力: 250牛/平方厘米(日本工业标准)
面板磨损极限:8mm
辐射极安排
上一条:
下一条:
相关产品
EP50
EP75
EPQ
EPR
EPF
PMM
PMS-M
PMS
RMC
RMF
RMM
RMR
MCS
MCC
LM EM
LM A
PML A
PME
PMS-T
鑫博在磁性材料应用领域的专有经验和专业技术,主要生产电永磁吸盘(系统)、
电永磁起重、多系列方形和圆形吸盘、多系列永磁起重器
快速导航
首页
产品中心
关于我们
新闻中心
联系我们
产品分类
电永磁吸盘
矩形永磁吸盘
圆形永磁吸盘
正弦吸盘
起重器
磁性过滤器
联系我们
手机:15657833212
邮箱:
info@xbmagnet.com
sales@xbmagnet.com
地址:浙江省宁波市海曙区鄞江镇冷水庵路79号
订阅我们,关注产品和活动的最新资讯
订阅
http://weibo.com
手机
15657833212
邮箱
info@xbmagnet.com
sales@xbmagnet.com
版权所有© 2025 宁波鑫博磁业有限公司 版权所有
浙ICP备2025159116号-1